PTTロックアダプタ
連続で送話する場合、マイクのPTTスイッチを長時間押し続けなければならないので、スタンドマイクでよくあるPTTロック機構を追加を目的にした
ロック機構を持つアダプターを製作しました。
【回路説明】
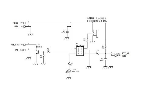
回路図を示します。PTTのロック機構はマイコンを使用し無線機のPTTスイッチを電気的にコントロールします。

回路図
基板表と裏の様子
ブレッドボードタイプのユニバーサル基板に部品を実装します。
部品を搭載した基板
PTT_SW(右側)にモーメンタリースイッチを、PTT_RIG(左側)は、オープンコレクターになっており、FT991Aのマイク端子のPTTに接続します。
電源はFT-991Aのマイク端子に出力されている5Vを使用します。回路図中のU1は機能ソフトが実装されたマイコンです。
U1の8ピンを電源電圧(VDD)に接続の場合、PTTロック機能がある動作をします。8ピンをGNDに接続するとPTTロックがない動作、すなわち、
スイッチを押している間だけ無線機は送信します。
動作電圧:5V~3V
【機能説明】
本基板に接続したスイッチを一度押すと、PTT_RIGのトランジスタがONし、PTTを押された状態となり、無線機は送信になります。
もう一度、スイッチを押すと、PTT_RIGのトランジスタがOFFしPTTが離され状態となり無線機は受信となります。
ハンドマイクのPTTラインに本基板のPTT_OUTを並列接続することで、通常のマイクのPTTスイッチにPTTロック機能を追加できます。
【動作確認】
YAESU FT991Aのハンドマイクと本体の間に本基板を入れて動作することを確認しました。
下記の写真のように、マイク端子の中継コネクタをブレッドボード上で作り、必要な配線を引き出しました。
FT-991A以外の無線機については、無線機PTT回路を確認してご使用願います。
回路図、ソフトをご希望の方はtopページのアドレスにてお名前、おところを明記の上連絡下さい。
テストの様子